源頭廠家 · 支持定制 · 降本增效 · 性價比高
單相220V振動電機是我廠根據市場需求并結合國標電機系列,借鑒國外*新數據研發生產的新型振動電機。其用途主要針對無法提供三相電的家用220V,50HZ的兩相用電環境,在響應國家全民辦企業的政策下,市場反映很好。目前已經獲得多個省市、廠家的廣泛采用。產品與市場同類型相比,具有啟動速度快,體積小,適應電壓范圍寬,電機溫升小,壽命長,可靠性高等優點,且結構緊湊,激振力可調范圍大,調節方便。該種類振動電機是家用、小型振動篩的*選。
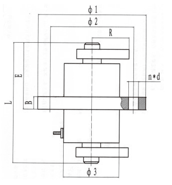
振動電機安裝尺寸示意圖:

具體參數:
| 型號 | *大激振力(N) | 同步轉速(rpm) | 功率(KW) | 電流(A) | 安裝及外形尺寸(mm) | ||||||||
| ?1 | ?2 | ?3 | B | N×d | L | E | R | 備注 | |||||
| YZUL1-4 | 1000 | 1500 | 0.1 | 0.22 | 190 | 160 | 142 | 15 | 4×?9 | 235 | 65 | 60 | |
| YZUL3-4 | 3000 | 1500 | 0.18 | 0.6 | 230 | 200 | 160 | 20 | 4×?11.5 | 280 | 100 | 85 | |
| YZUL5-4 | 5000 | 1500 | 0.55 | 1.25 | 245 | 210 | 170 | 22 | 4×?11.5 | 320 | 100 | 120 | 上法蘭 |
| 220 | 140 | 中法蘭 | |||||||||||
| YZUL8-4 | 8000 | 1500 | 0.75 | 1.7 | 275 | 235 | 195 | 24 | 6×?14 | 380 | 150 | 140 | 上法蘭 |
| 240 | 195 | 中法蘭 | |||||||||||
| YZUL10-4 | 10000 | 1500 | 1.1 | 2.4 | 315 | 265 | 225 | 34 | 8×?18 | 460 | 165 | 160 | 上法蘭 |
| 270 | 225 | 中法蘭 | |||||||||||
實力雄厚strength
經驗豐富experience
質量保障quality
服務無憂service
18703732451
掃一掃 關注我們